SG Speed Demon
Roller Blocks

PDF Catalog Complete Eng Data


SGB-3UU
3 Roller Block


SGB-4UU
4 Roller Block


SGB-5UU
5 Roller Block

THE SG Speed Demon Linear Roller/Rail System offers:

Low Friction - .0003
High Speeds - Up to 10/ms
Adjustable Preload

Extremely Quiet & Smooth
Lightweight Construction
Flexible Design
Options
Easy Installation
Low Cost

CNC Plama Cutting Systems
3D Printers
Optical Scanning Systems

Medical Imaging Systems
Medical/Rehab/Industrial Furniture
Camera Sliders

SG's 3,4 and 5 roller block configurations allow more load and stiffness
without increasing system height and width


Roller Screw Actuator
Bearing Roller Carriage
 

SG


OSG


Redesigned Elliptical

Axial & Radial Loading

Unique Construction
Moment Loads

SG is one of the most popular, worldwide, block and rail sytems
used in the camera slider industry.

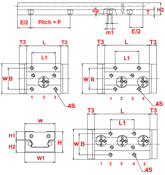
NOTE: Cut-to-length rails have equal spacing (E/2) from both ends to the centerline of the first mounting hole.

 SGB
SGR
Whole System Rail Dimensions & Weight per Meter SG Block Dimensions - Number of Rollers Per Block - Loading and Block Weight

SIZE
# of Rollers
Per Block
H W W1 H2 dp P Shaft
Dia.
Shaft Weight
(g/m)
T m1 m W H1 L B L1 S T3 Eccentric
Position
# of Rollers Basic Dynamic Safe Working Load (N) Dynamic Moment (N-m) Block
Weight
g/each
YO Z0 Mx0 My0 Mz0
10 3 23 28 28 14 3.3 60 5 1,051 N/A 6.5 3.4 28 8 60 21 18 M4   2 3 250 230 2.6 2.8 5.0 52
4 63 2,4 4 343 322 6.4 6.8 7.1 70
5 77 2,4,5 5 490 450 9.0 18.0 19.1 71
15N 3 32 44 38 18.5 6 120 6 1,651 8 8 4.5 44 12 60 26 26 M5 11 2 3 490 460 7.4 7.8 10.2 105
4 80 1,3 4 700 660 13.2 14 14.5 140
5 100 1,2,4 5 980 920 20.3 37 39 170
15 3 32 46 46 18.5 6 120 6 1,784 8 8 4.5 46 12 52 32 36 M5 11 2 3 490 460 9.2 9.8 13.8 110
4 68 1,3 4 700 660 19.8 21.1 22.4 145
5 84 1,2,4 5 980 920 27.7 44.3 47 185
20N 3 36 47 47 22.5 8 120 8 2,427 9 9.5 5.5 47 12 80 38 30 M6 11 2 3 820 700 15.4 21.5 29.4 195
4 106 1,3 4 1400 1000 42 52 61.6 265
5 132 1,2,4 5 1960 1400 58.8 92.4 129 325
20 3 36 60 60 22.5 8 120 8 2,744 9 9.5 5.5 60 12 72 50 40 M6 11 2 3 820 700 18.2 25.4 42.1 210
4 94 1,3 4 1400 1000 44 60.2 72.8 280
5 116 1,2,4 5 1960 1400 84.2 109.2 152.8 350
25 3 44 70 69 26 10 120 10 3,873 10 11 6.5 70 16.5 100 57 45 M8 11 2 3 1470 1260 41.58 48.51 67.62 460
4 133 1,3 4 2100 1800 96.6 118.8 138.6 615
5 166 1,2,4 5 2940 2520 135 249.48 291.06 775
35 3 55 100 90 35 8.5 160 12 6,442 12 14 9 100 18 140 82 62 M10 11 2 3 2800 2380 126 135 159.6 1,100
4 185 2,4 4 4000 3400 228 360 478 1,450
5 230 2,4,5 5 5600 4760 319.2 756 758 1,835

Widely used by CNC Plasma Cutting system manufacturers for X and Y axis motion.

NOTE: Concerning Mxo, Myo and Mzo Moment Loads
Newton
metre
is a compound unit of torque corresponding to the torque from a force of 1 newton
applied over a distance arm of 1 metre.1 Nm = 0.738 foot-pounds