|
Minuteman Self Lubricating Linear Bearings
are self lubricating and because our
PTFE Composite
has no abrasive fillers, it can run on
RC60, soft 300 series stainless
and aluminum. SELF
LUBRICATING LINEAR BEARINGS

Ordering Part Number Sample: 1/4" Closed Pillow Block
For Self Aligning Bearing add (SA) to Part Number
LM76 Linear Motion Bearings are
direct drop-in replacements for linear ball bearings
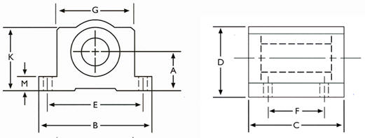
Part Number
CLOSED
Pillow Block
Bearings |
Shaft
Diameter
Class L
Tolerance |
Shaft
Tolerance
Max |
A
+/-
.003 |
B |
C |
D |
E
+/-
.010 |
F
+/-
.010 |
G |
Bolt Hole |
K |
L
Min |
M
Min |
|
LPB 408-6SL |
1/4" |
0.2495 |
.437 |
1-5/8 |
1-3/16 |
13/16 |
1.312 |
.750 |
1 |
#6-5/32 |
3/4 |
3/32 |
3/16 |
|
LPB 610-7SL |
3/8" |
0.3745 |
.500 |
1-3/4 |
1-5/16 |
15/16 |
1.437 |
.875 |
1-1/8 |
#6-5/32 |
7/8 |
9/64 |
3/16 |
|
LPB 814-10SL |
1/2" |
0.4995 |
.687 |
2 |
1-11/16 |
1-1/4 |
1.688 |
1.000 |
1-3/8 |
#6-5/32 |
1-1/8 |
5/16 |
1/4 |
|
LPB 1018-12SL |
5/8" |
0.6245 |
.875 |
2-1/2 |
1-15/16 |
1-5/8 |
2.125 |
1.125 |
1-3/4 |
#8-3/16 |
1-7/16 |
3/8 |
9/32 |
|
LPB 1220-13SL |
3/4" |
0.7495 |
.937 |
2-3/4 |
2-1/16 |
1-3/4 |
2.375 |
1.250 |
1-7/8 |
#8-3/16 |
1-9/16 |
7/16 |
5/16 |
|
LPB 1625-18SL |
1" |
0.9995 |
1.187 |
3-1/4 |
2-13/16 |
2-3/16 |
2.875 |
1.750 |
2-3/8 |
#10-7/32 |
2 |
9/16 |
3/8 |
|
LPB 2032-21SL |
1-1/4" |
1.2495 |
1.500 |
4.00 |
3-5/8 |
2-13/16 |
3.500 |
2.000 |
3 |
#10-7/32 |
2-1/2 |
5/8 |
7/16 |
|
LPB 2438-24SL |
1.5" |
1.4994 |
1.750 |
4-3/4 |
4 |
3-1/4 |
4.125 |
2.500 |
3-1/2 |
1/4-9/32 |
2-7/8 |
3/4 |
1/2 |
|
LPB 3248-32SL |
2" |
2.9904 |
2.125 |
6 |
5 |
4-1/16 |
5.250 |
3.250 |
4-1/2 |
3/8-13/32 |
3-5/8 |
1 |
5/8 |
|